
BK系列控制變壓器
產品描述
參數
一、概述
本系列控制變壓器屬空氣自冷干式變壓器,適用于交流50Hz,電壓為660V以下控制電路,作控制電壓之用,也可作機床設備安全照明電源。
二、使用條件
1、海拔高度不超過2000米。
2、周圍介質溫度不大于40℃,不低于-30℃。
3、空氣相對濕度大于85%(溫度為20℃±5℃)。
4、沒有導電塵埃和足以破壞金屬及絕緣的腐蝕性氣體或蒸氣的場所。
5、沒有爆炸危險的場所。
三、型號含義
四、結構
本變壓器鐵芯用硅鋼片沖壓后迭成,用鐵板作夾件加以緊固。
變壓器線圈的次級可根據要求按電壓等級抽頭。在抽頭上有接線端子,便于接線。
五、技術數據
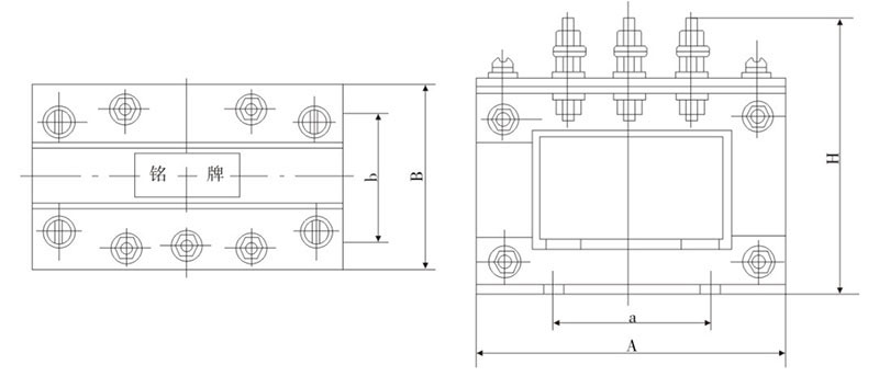
六、外形及安裝尺寸
圖1 BK系列變壓器外形及安裝尺寸見表1
七、訂貨須知
1、提供型號、規格、容量。
2、提供初次級電壓。
3、提供次級電壓時,次級容量分配。
4、外形和安裝尺寸僅供參考,如要求比較嚴格請在合同中注明。
掃二維碼用手機看
未找到相應參數組,請于后臺屬性模板中添加
上一個
ZSG系列整流變壓器
下一個
BZJ(JMB)系列照明變壓器